
Тхе СТМ8С103Ф3П6 је 8-битни микроконтролер произведен од стмицроелектронике, познат по импресивној функционалности и бешавне интеграције.Овај компактни уређај опремљен је површинским уређајем (СМД) уградњом учвршћености, у којој је усклађене напредне језгре и периферне уређаје који су пажљиво произведени коришћењем врхунске технологије.Са фреквенцијом сата од 16 МХз, СТМ8С103Ф3П6 се може похвалити робусном И / О могућностима, обезбеђујући ефикасну обраду и руковање података.Његов независни тајмер чувара, опремљен је независним системом безбедности и сигурности сата, гарантује оптималне перформансе уређаја и отпорност на потенцијалне поремећаје.
Једна од њених карактеристика је његова флеш меморија која пружа нехлапљиво складиштење кода и података.Са оперативним напоном који се протеже од 2,95 В до 5,5 В, овај микроконтролер је веома свестран и прилагодљив различитим апликацијама.Поред тога, нуди широк опсег радне температуре од -40 ° Ц до 85 ° Ц, што га чини погодним за размештање у различитим условима заштите животне средине.
• МСП430Г2353
• ПИЦ16ЛФ18444Т


Мала потрошња електричне енергије: Има различите начине слабог потрошње електричне енергије који би изабрали, укључујући и мисаони режим, режим спавања, режиму дубоког мировања и режима мириса и искључивања, који може ефикасно продужити трајање батерије и уштедети енергију.
Високих перформанси: Усваја ХРВЕНЕ СТАМ8 основне архитектуре СТМ8, што омогућава да се радња омогућава да буде висока као 16МХз, што увелико побољшава брзину извршења упутства и омогућава ефикасније рачунање за наше апликације.
Вишеструки комуникацијски интерфејси: Подржава различите комуникацијске интерфејсе, укључујући СПИ (серијски периферни интерфејс), И2Ц и УАРТ.Кроз ове интерфејсе може лако комуницирати и комуницирати са спољним уређајима за постизање више функција и апликација.
Обилне периферне уређаје: С СТМ8С103Ф3П6 микроконтролер има обилне периферне ресурсе, укључујући 16КБ флеш меморије и 1КБ РАМ меморије, као и уобичајено коришћене интерфејсе, као што су Гпио Пинс, ТИПЕРИ и УАРТ.Разноликост ових периферних уређаја чини уређај погодним за различите сценарије апликације и може да задовољи потребе различитих области и индустрија.Било да је то индустријска контрола, паметни дом или уграђени системи, СТМ8С103Ф3П6 могу пружити подршку.

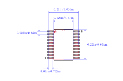
СТМ8С103Ф3П6 је упакован у танком смањујући пакет малих облога (ТССОП) и има 20 пинова.Размак тела и олова су мањи од стандардних соичких пакета.Типична карактеристика ТССОП-а је формирање игле око паковањаног чипа, што га чини погодним за монтажу ожичења на ПЦБ-у користећи СМТ технологију.Када користите ТССОП пакет, паразитски параметри (поремећаји излазног напона проузроковане великим променама у струји) су мањи, тако да је погодан за високофреквентне апликације.Ова врста пакета је погодније радити и имати већу поузданост.
ТССОП пакет има следеће карактеристике:
• Мали размак имена: Размак имена је углавном 0,5 мм или 0,65 мм.Кроз дизајн бакрених барова у кругу, више уређаја се може поставити на плочу са истом подручјем и величином.
• Широк обим примене: Може се применити на различита наносна поља као што су микроконтролери, ДСПС, меморијски чипови и чипс за напајање.
• Велики број пина: Број игле је опћенито око 20 до 64, што може да испуни одређене захтеве интеграције чипа.
• Мала величина пакета: У поређењу са обичним пакетима малих облога (тако), величина пакета је мања, дебљина је тања, а запремина је мања, што је чини погодним за паковање интегрисаних кругова високе густине.
• Високе перформансе: Усваја технологију површинских монтирања, има добру проводљивост и отпорност на корозију и може да испуни посебне захтеве као што је велика брзина, висока фреквенција, минијатуризација и тако даље.
Ако није другачије одређено, сви напони се називају ВСС-ом.
Минималне и максималне вредности загарантоване су у најтеже способностима, обухватајући спољну температуру, напон снабдевања и фреквенције.Ове гаранције су успостављене кроз ригорозне производне тестове који се изводе на 100% уређаја, спроведено на собној температури ТА = 25 ° Ц и ТА = ТАМАКС (како је дефинисано изабраним температурним опсегом).
Вриједности на основу резултата карактеризације, дизајнерски симулацијама и / или технолошких карактеристика су наведене у фуснотима у табели и нису прошли тестирање производње.Што се тиче карактеризације, минималне и максималне вредности односе се на процјене узорака и означавају средњу вредност са опсегом плус или минуса три пута стандардно одступање (средња вредност ± 3σ).
Ако није изричито наведен другачије, стандардни подаци су успостављени са ТА = 25 ° Ц, ВДД = 5 В. Ове вредности се пружају искључиво као дизајнери и нису прошли тестирање.
Типична тачност АДЦ вредности успостављена је карактеризацијом скупа узорака из стандардне дифузије кроз комплетну температурни опсег.У том контексту, 95% уређаја показује грешку у наведеној вредности (средња вредност ± 2σ).
Ако посебно није наведено, сви стандардни графикони намењени су искључиво референцама дизајна и нису били предмет тестирања.
Прекорачење наведених апсолутних максималних рејтинга може резултирати трајним оштећењем уређаја.Ове оцјене искључиво указују на границе стреса које уређај може издржати, а не подразумева се да ће уређај правилно функционисати под овим условима.Изложеност условима на или у близини максималних рејтинга може негативно утицати на поузданост уређаја.
Профил мисије уређаја, који описује своје услове за пријаву, придржава се стандарда квалификације Једец ЈеСД47, са проширеним профилима мисије доступним на захтев.
Да би се постигла стабилност примарног регулатора, екстерни кондензатор са ознаком ЦЕКСТ треба да буде повезан на ВЦАП ПИН.Од суштинског је значаја да се серијска индуктивност остане испод 15 нх.
Тренутна потрошња се мери као илустрована на следећој слици.

Укупна потрошња струје понуде у режиму рада
МЦУ је постављен под следећим условима:
• Сви периферна опрема су онемогућена (сат се заустављао периферним приписницима за калиферни сат), осим ако је изричито поменуто.
• Сви И / О игле у улазном режиму са статичком вриједношћу на ВДД-у или ВСС-у (без оптерећења)
Подложно општим радним условима за ВДД и ТА.

СТМ8С103Ф3П6 има 20 имена, имена и функција имена и функција су следеће:
ПИН1 (ПД4 / БЕЕП / ТИМ2_ ЦХ1 / УАРТ1 _ЦК): Порт Д4
ПИН2 (ПД5 / АИН5 / УАРТ1 _ТКС): Порт Д5
ПИН3 (ПД6 / АИН6 / УАРТ1 _РКС): Порт Д6
ПИН4 (НРСТ): Ресетовање
ПИН5 (ПА1 / ОСЦИН): Порт А1
ПИН6 (ПА2 / ОСЦОУТ): Порт А2
ПИН7 (ВСС): Дигитално тло
ПИН8 (ВЦАП): 1.8 В Кондензатор регулатора
ПИН9 (ВДД): Дигитално напајање
ПИН10 (ПА3 / ТИМ2_ ЦХ3 [СПИ_ НСС]): Порт А3
ПИН11 (ПБ5 / И2Ц_ СДА [ТИМ1_ БКИН]): Порт Б5
ПИН12 (ПБ4 / И2Ц_ СЦЛ): Порт Б4
ПИН13 (ПЦ3 / ТИМ1_ЦХ3 [ТЛИ] [ТИМ1_ ЦХ1Н]): Порт Ц3
ПИН14 (ПЦ4 / ЦЛК_ЦЦО / ТИМ1_ ЦХ4 / АИН2 / [ТИМ1_ ЦХ2Н]): Порт Ц4
ПИН15 (ПЦ5 / СПИ_СЦК [ТИМ2_ ЦХ1]): Порт Ц5
ПИН16 (ПЦ6 / СПИ_МОСИ [ТИМ1_ ЦХ1]): Порт Ц6
ПИН17 (ПЦ7 / СПИ_МИСО [ТИМ1_ ЦХ2]): Порт Ц7
ПИН18 (ПД1 / Свим): Порт Д1
ПИН19 (ПД2 / АИН3 / [ТИМ2_ ЦХ3]): Порт Д2
ПИН20 (ПД3 / АИН4 / ТИМ2_ ЦХ2 / АДЦ_ ЕТР): Порт Д3
Као што је приказано на горњој слици, С СТМ8С103Ф3П6 чип има до 16 И / О ПИН-ова, који се могу користити у разним сврхама, као што су ГПИО, периферни интерфејси, АДЦ итд. И / О игле су двосмерни и могу бити двосмислениКористи се као улазне игле за читање спољних сигнала или као излазни игле за слање сигнала на спољне уређаје.Поред тога, сваки И / О ПИН може се независно доделити прекид вектора да би се олакшала прецизна обрада прекида када се појаве.
• Системи за аутоматизацију: Овај микроконтролер се може користити у системима аутоматизације као што су електричне завесе, системи за контролу приступа, контрола температуре и осветљење.
• Снага (Интернет ствари) Примена: Ако морамо да развијемо иОТ уређаје, може се користити као контролор за иОт чворове за повезивање и контролу различитих сензора и комуникационих модула.
• Лични електронски уређаји: Користи се у дигиталним фотоапаратима, МП3 и МП4 играчима, електронским играма у игри итд.
• Електронска опрема: користи се за развој разне електронске опреме
, као што су електронски играчи, даљински управљачи, мини калкулатори итд.
• Индустријско поље: користи се у ПЛЦ-у, индустријским регулаторима, аутоматизација процеса и аутоматско управљање бродом итд.
• Интерфејс за прикупљање података и сензор: користи се за праћење услова заштите животне средине и прикупљања података или да повежете различите сензоре као што су сензори светлости, сензори за температуру и сензори влаге и сензори влажности.
• Уграђени систем управљања: користи се за дизајн различитих система уграђених контролних система, као што су домаћинства, индустријска опрема, електрични алати итд. Његова 8-битна снага за прераду је довољна за многе једноставне задатке контроле.
СТМ8С103Ф3П6 је микроконтролер чип који је развио Стмицроелектроницс.Припада породици СТМ8 8-битних микроконтролера и широко се користи у различитим уграђеним системима и иОТ апликацијама.
СТМ8С103Ф3П6 јединица микроконтролера има 640 битни РОМ, 10-битни 5-канала АДЦ, 1КБ РАМ-а и са величином програма од 8КБ.
Можемо заменити СТМ8С103Ф3П6 са МСП430Г2353, ПИЦ16ЛФ1844Т, СТМ8С103Ф3ТП3, СТМ8С103Ф3П3ТР или СТМ8С103Ф3П6ТР.
Да, СТМ8С103Ф3П6 је дизајниран са функцијама са ниским напајањем и може се користити у апликацијама на батерије или ниске снаге у којима је енергетска ефикасност од суштинског значаја.
Неке кључне карактеристике СТМ8С103Ф3П6 укључују ГПИО (улаз / излаз у износу опште намене), УАРТ (универзални асинхрони пријемник / предајник) Комуникација, И2Ц (Интер интегрисани круг) Комуникација, СПИ (серијски периферни интерфејс) Комуникација, тајмери и још много тога.
О нама
Задовољство купаца сваки пут.Међусобни поверење и заједнички интереси.
Техничке спецификације литијумске кованице ЦР2354
2024-08-02
Свеобухватни водич за АМСЕГА328-ПУ микроконтролер
2024-08-02
Емаил: Info@ariat-tech.comХК ТЕЛ: +852 30501966ДОДАТИ: Рм 2703 27Ф Хо Кинг Цомм Центер 2-16,
Фа Иуен Ст МонгКок Ковлоон, Хонг Конг.